13+ Chevy Tbi Diagram


1967 Oldsmobile Cutlass Supreme For Sale Classiccars Com Cc 1354270


2007 Lx A C Clutch Won T Engage Page 2 Honda Civic Forum


19 Chevrolet Truck Ideas Chevy Electrical Wiring Diagram Chevy Trucks


Tbi Fuel Injection The 1947 Present Chevrolet Gmc Truck Message Board Network


Tbi Running Rich Rough And Bogging S 10 Forum


Is It Possible To Get A Wiring Diagram For Connection I Engiene Room Just Over The Battery On A Chevy Van 89 W Tbi


Swapped The Tbi Need Vacuum Help The 1947 Present Chevrolet Gmc Truck Message Board Network


19 Chevrolet Truck Ideas Chevy Electrical Wiring Diagram Chevy Trucks


Is It Possible To Get A Wiring Diagram For Connection I Engiene Room Just Over The Battery On A Chevy Van 89 W Tbi


Can Someone Provide Me A Pic Or A Diagram Please Intake With Throttle Body Third Generation F Body Message Boards


Is It Possible To Get A Wiring Diagram For Connection I Engiene Room Just Over The Battery On A Chevy Van 89 W Tbi


Alternator Wiring Gm Square Body 1973 1987 Gm Truck Forum


1993 5 7 Tbi Not Idling Properly And Holding Shifts Chevrolet Forum Chevy Enthusiasts Forums


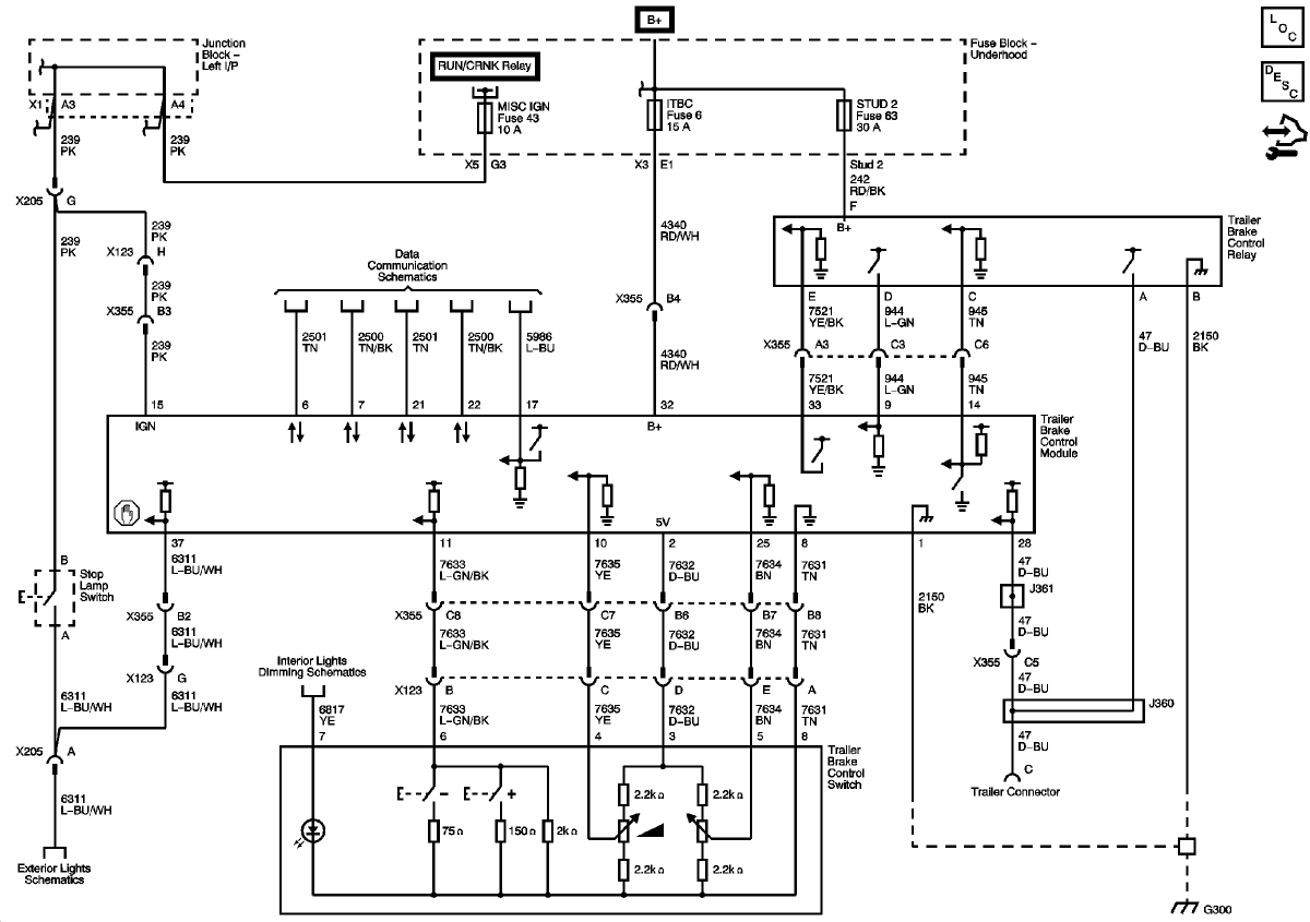
Itbc Schematic 1999 2013 Silverado Sierra 1500 Gm Trucks Com


Anyone Have A 88 454 Tbi Engine Harness Diagram Above Sticky Thread Is Useless The 1947 Present Chevrolet Gmc Truck Message Board Network


Tbi Low Rpm Stumble Don Terrill S Speed Talk


93 Tbi 350 In A 71 Wiring Q S The 1947 Present Chevrolet Gmc Truck Message Board Network


Plugged Vac Hose On Throttle Body On 92 Tbi Third Generation F Body Message Boards

Iklan Atas Artikel

Iklan Tengah Artikel 1

Iklan Tengah Artikel 2

Iklan Bawah Artikel